产品中心
质量为先 信誉为重

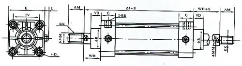
| 缸径 | B | MM | AM | KK | VD | EE | WH | G | E | TV | D2 | L2 | ZJ | |
|---|---|---|---|---|---|---|---|---|---|---|---|---|---|---|
| 40 | 36 | 16 | 24 | M12×1.25 | 22 | M14×1.5 | G1/4 | 30 | 26 | 62 | 42 | M6 | 10 | 105 |
| 50 | 38 | 20 | 32 | M16×1.5 | 23 | M14×1.5 | G1/4 | 37 | 28 | 70 | 50 | M6 | 10 | 131 |
| 63 | 42 | 20 | 32 | M16×1.5 | 23 | M18×1.5 | G3/8 | 37 | 30 | 83 | 60 | M8 | 12 | 142 |
| 80 | 50 | 25 | 40 | M20×1.5 | 25 | M18×1.5 | G3/8 | 45 | 32 | 100 | 72 | M10 | 13 | 158 |
| 100 | 52 | 25 | 40 | M20×1.5 | 25 | M22×1.5 | G1/2 | 49 | 39 | 120 | 90 | M10 | 13 | 175 |
| 125 | 70 | 32 | 54 | M27×2 | 30 | M22×1.5 | G1/2 | 63 | 44 | 148 | 112 | M12 | 15 | 191 |