Go to the content
您好,欢迎访问无锡华洋液压气动有限公司的企业网站! 咨询电话:0510-8559 0889
加入收藏
企业邮局
全国服务热线电话 HOTLINE:
0510-8559 0889
首页
公司简介
产品中心
新闻动态
客户案例
联系我们
首页
公司简介
产品中心
新闻动态
客户案例
联系我们
全国服务热线电话 HOTLINE:0510-8559 0889
product
产品中心
质量为先 信誉为重
气缸系列
液压缸系列
液压站
气阀类
活塞杆
YZG系列市木业压机柱塞油缸
C/D25系列高压重型液压缸
CD/CG250.350系列重工业载液压缸
W70/140L-系列轻型拉杆液压缸
JB/ZQ4395-86系列重工业型冶金设备液压缸
JB2162-77系列方形端盖重型冶金设备液压缸
Y-HG1系列冶金设备
HSG系列工程液压缸
DG系列车辆液压缸
液压翻转缸
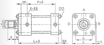
W70/140L-系列轻型拉杆液压缸
本系列液压缸结构紧凑简单,比同等压力等级液压缸体积小,工作压力7MPa,14MPa,缸径40-50mm,环境温度-10℃-80℃。
型号含义:
规格/技术参数:
基本型
基本型尺寸:
GO TO THE TOP